Nombre Parcourir:0 auteur:Yingying Zhou publier Temps: 2018-08-07 origine:Propulsé
Le Anneau de balle de balle de contact à quatre points à une ligne à une ligne à un seul point est composé de deux marins. , Soudage Consoles d'exploitation, grues légères, de service moyen, excavatrices et autres machines d'ingénierie.
Les anneaux d'allumage pré-ingérés de la série HS, comportent des sections transversales rectangulaires, qui permettent des modèles de trous alternatifs, une rigidité améliorée et le potentiel de plus de capacité. Idéal pour les grues, les ascenseurs aériens, les derricks, les émerices de chute, les rotateurs de camions de levage et les platines industrielles.


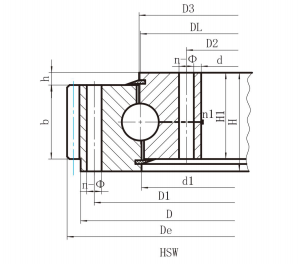
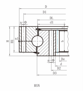
La série HS partage le même pignon, le même équipement et la même dureté de base de course. Cependant, l'anneau d'allumage HS présente un dégagement réduit et des sections rectangulaires qui fournissent une capacité supplémentaire, une plus grande rigidité et moins de mouvement que la série RK. Roulements d'anneaux d'allumage HS value en taille de 20 "à 47 " (500 mm à 1 200 mm) OD avec une section transversale standard. Les configurations incluent un engrenage non gonflé et interne (avec des raccords sur le diamètre extérieur) et des engrenages externes (raccords sur le diamètre intérieur). Les engrenages sont des conceptions de talons involutiques avec des angles de pression de 20 °, fabriqués à la classe AGMA Q5 et .015 "à .025 " Allocation pour le contrecoup.
Les roulements d'anneaux d'allumage HS comportent deux raccords pour la lubrification, espacés de 180 °. Les courses à engrenages ont tapoté des trous, tandis que les courses non délevées ont des trous. Tous ont des joints intégraux conçus pour se protéger contre la contamination.
Les ingénieurs XZWD appliquent leur expérience et leur expertise pour créer une grande variété de solutions pour relever les défis de roulement les plus uniques, ce qui rend le premier fournisseur XZWD de roulements de grues.
le contenu est vide!
