Nombre Parcourir:0 auteur:Micky Sun publier Temps: 2018-11-03 origine:Propulsé
"Application typique " de Xuzhou Wanda Roueur de rechange affichera les conditions énumérées ci-dessous. Une considération particulière doit être accordée à la sélection et aux caractéristiques de roulement chaque fois que les conditions d'application diffèrent de celles considérées comme "typiques ". Ces conditions d'application typiques sont:
· Axe vertical de rotation. Essentiellement, le roulement monté "plat ".
· La poussée de compression et les charges de moment sont prédominantes par rapport à la charge de tension.
· La charge radiale limitée à moins de 10% de la charge de poussée.
· Pour les roulements à ligne unique, la rotation intermittente (non continue) ne doit pas dépasser une vitesse de ligne de tangage de 500 pieds / minute.
· Température de fonctionnement entre -40ºF à + 140 ° F.
· Géométrie de surface et procédures d'installation de surface pour assurer la rondeur et la planéité des deux races. Un exemple d'approche consisterait à appliquer une charge de poussée centrée lors du resserrement des boulons à l'aide de la méthode du motif d'étoile en alternance.
· La vérification périodique des boulons de montage pour vérifier la tension appropriée est prévue.
· Une lubrification périodique est prévue.
Xzwd Roulements d'anneaux d'allumage sont conçus pour accueillir des charges radiales, de poussée et de moment importantes comme indiqué ci-dessous:
Ceci est accompli dans la plupart des cas par la géométrie unique de Contact Raceway à quatre points, qui est similaire en concept aux roulements de section mince de type XZWD X. Cela permet à un seul roulement d'accueillir les trois scénarios de chargement mentionnés ci-dessus, soit individuellement, soit une combinaison de celle-ci.
Pour plus d'informations détaillées sur les capacités de chargement de la bague de roulement de pile à roues de xuzhou, consultez les graphiques des courbes de charge.
Les roulements d'anneaux d'allumage XZWD sont utilisés le plus souvent où la rotation est lente, oscillante et / ou intermittente. Pour les calculs de limite de vitesse, veuillez contacter XZWD Engineering.
Les roulements d'anneaux d'allumage XZWD ne sont généralement pas fournis avec des tolérances de diamètre. Certaines applications d'anneau d'allocation nécessitent un degré de précision plus élevé. Pour l'ingénierie et le support de conception sur des applications spéciales, veuillez contacter XZWD Engineering.
Les roulements d'anneaux d'allumage XZWD sont souvent utilisés à l'intérieur, et à l'extérieur où une exposition à l'humidité et une contamination significative est possible. Les plages de température normales -40 ° F à + 140 ° F (-40 ° C à + 60 ° C) sont standard. Des anneaux d'allumage conçus pour fonctionner dans des environnements plus durs sont disponibles auprès de XZWD, contactez un ingénieur XZWD au début de votre processus de conception pour identifier la meilleure solution de système de roulement pour des environnements extrêmes. Comme si vous souhaitez l'utiliser dans ce Boule d'emballage pour la grue, vous pouvez nous contacter.
Comme mentionné précédemment, il est préférable de monter les roulements dans "Compression " comme indiqué ci-dessous. Cela garantit que la charge est transportée par les balles, qui est représentée dans la courbe de charge fournie. Le montage de tension a une capacité nettement moins élevé, car alors la résistance au boulon devient la principale considération de capacité.
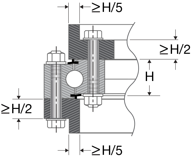
Les surfaces de montage doivent être usinées avec précision pour la bonne fonction du roulement. Lorsque les modèles de boulons standard ne peuvent pas être hébergés, contactez l'ingénierie XZWD pour des options alternatives. Une considération doit être accordée au montage de tension ou de compression. En tension, la résistance au boulon devient la considération de charge limite, la courbe de charge ne s'applique plus et des considérations spéciales doivent être faites. Voir les directives supplémentaires ci-dessous.
Généralement, cette règle de base fournira une intégrité structurelle adéquate.
La graisse est le lubrifiant le plus courant utilisé dans les roulements à anneaux et les applications d'engrenages. Une lubrification régulière grâce à des raccords à graisse fourni ou à des trous de graisse est requis pour un fonctionnement approprié sur les anneaux d'allocation standard. Pour les options de lubrification spéciales, contactez Xuzhou Wanda Browing Roulement.
Le moment de friction peut être estimé pour un roulement d'anneau d'allocation en utilisant la formule notée ci-dessous. Les valeurs résultantes supposent que le roulement est monté en fonction des directives décrites dans ce catalogue. Cette estimation ne s'applique que lorsque la charge est appliquée au roulement et ne reflète pas le couple de démarrage dans un état non chargé. Le couple de friction généré par le lubrifiant, les joints et le poids des composants. Cela fournit cependant un point de départ, et avec une expérience supplémentaire, des ajustements peuvent être effectués dans l'assemblage pour s'adapter à un couple supplémentaire.
Lorsque Installation du roulement , il est important de s'assurer que le roulement est aussi rond que possible. Cela optimisera la distribution de charge et favorisera l'opération la plus fluide. Les procédures suivantes sont recommandées comme aide.
Utilisez des rondelles en acier plat rond durcies conformément à ASTM F436 sous la tête du boulon, ainsi que l'écrou. Les lock-lasteurs et les composés de verrouillage sur le fil ne sont pas recommandés.
Installez les rondelles, les écrous et les boulons dans la structure de roulement et de support et serrer la main. Ne déformez pas le roulement afin d'installer des boulons. Appliquez une charge de poussée centrée modérée sur le roulement. Serrez les boulons aux spécifications du concepteur d'équipement. Une approche commune consiste à utiliser un motif d'étoile pour resserrer les boulons, séquences comme indiqué dans le diagramme ci-dessous. Le motif est généralement effectué en 3 étapes à environ 30%, 80% et 100% du couple final du boulon ou du niveau de tension spécifié par le concepteur d'équipement.
La perte de tension appropriée peut entraîner une défaillance prématurée du boulon, une défaillance du roulement et de la structure, des dommages aux composants et un décès ou des blessures à quiconque à proximité. Les boulons nécessitent une inspection fréquente pour une tension appropriée, qui est généralement accomplie en mesurant le couple du boulon.
le contenu est vide!
