Nombre Parcourir:0 auteur:Ruby Zhang publier Temps: 2018-03-22 origine:Propulsé
Pour déterminer si un Roulement d'anneau d'allocation convient à une demande, un facteur de service est appliqué. Reportez-vous au tableau ci-dessous pour qu'un guide du facteur de service s'applique à votre application. Les courbes de cote de charge indiquées dans ce catalogue sont approximatives et représentent un facteur de service d'application de 1,00. Pour déterminer la note de roulement requise, multipliez le facteur de service applicable par les charges appliquées sur le roulement et comparez les charges résultantes aux courbes de cote de charge.
Une sorte de | Considérations typiques | Exemples d'application | Le minimum |
LUMIÈRE | Chargement bien défini | Construction légère montée sur le pneu | 1.00 |
Chargement bien en dessous de la capacité | Tableau d'index de droits légers | 1.00 | |
Rotation lente, <10% du temps et intermittente | Manipulateur ou robot industriel de service léger | 1.00 | |
Mécanisme à la main légère | 1.00 | ||
Dispositifs médicaux légers | 1.00 | ||
Plates-formes aériennes légères | 1.00 | ||
Positionneurs de soudage | 1.00 | ||
Signes rotatifs, affichages | 1.00 | ||
MOYEN | Chargement bien défini | Construction légère montée sur piste | 1.10 |
Chargement proche ou en dessous de la capacité | Construction de cour de ferraille | 1.25 | |
Rotation lente, <30% du temps et intermittente | Manipulateur ou robot industriel de service moyen | 1.25 | |
Convoyeurs | 1.10 | ||
Tables rotatives | 1.25 | ||
Capstans et tourniquets | 1.10 | ||
Traitement des eaux usées | 1.10 | ||
LOURD | Chargement pas bien défini | Équipement de manutention forestière | 1.50 |
Le chargement au-delà de la capacité de la machine peut se produire | Tables d'index et platines robustes | 1.50 | |
Le chargement de choc peut se produire | Fouilles | 1.50 | |
Rotation intermittente, jusqu'à 100% de temps | |||
SPÉCIAL | Chargement pas bien défini | Énergie alternative (vent, hydro, etc.) | TBD |
Rotation continue | Application offshore | TBD | |
Rotation à grande vitesse | Manèges | TBD | |
Charges lourdes, choc, impact | Applications de l'accusant en acier | TBD | |
Haute précision, positionnement | Robotique de précision | TBD |
Si vous avez besoin d'une assistance pour déterminer un facteur de service applicable ou si vous souhaitez une courbe de cote de charge plus détaillée (recommandée si votre facteur de service ajusté les charges appliquées se rapprochent ou au-de à l'aide. Veuillez noter que le concepteur d'équipement est responsable de la détermination du bon facteur de service, souvent validé par les tests.
"Application typique " de Roulements d'anneaux d'allumage présentera les conditions énumérées ci-dessous. Une considération particulière doit être accordée à la sélection et aux caractéristiques de roulement chaque fois que les conditions d'application diffèrent de celles considérées comme "typiques ". Ces conditions d'application typiques sont:
l Axe vertical de rotation. Essentiellement, le roulement monté "plat ".
L La poussée de compression et les charges de moment sont prédominantes par rapport à la charge de tension.
l La charge radiale limitée à moins de 10% de la charge de poussée.
L Pour les roulements à ligne unique, la rotation intermittente (non continue) ne doit pas dépasser une vitesse de ligne de tangage de 500 pieds / minute.
L température de fonctionnement entre -40ºF à + 140 ° F.
L Géométrie de surface de montage et procédures d'installation pour assurer la rondeur et la planéité des deux races. Un exemple d'approche consisterait à appliquer une charge de poussée centrée lors du resserrement des boulons à l'aide de la méthode du motif d'étoile en alternance.
l La vérification périodique des boulons de montage pour vérifier la tension appropriée est prévue.
l La lubrification périodique est prévue.
Roulements d'anneaux d'allumage sont conçus pour accueillir des charges radiales, de poussée et de moment importantes comme indiqué ci-dessous:

Ceci est accompli dans la plupart des cas par la géométrie unique de Contact Raceway à quatre points, qui est similaire en concept aux roulements de section mince de type X. Cela permet à un seul roulement d'accueillir les trois scénarios de chargement mentionnés ci-dessus, soit individuellement, soit une combinaison de celle-ci.
Les roulements d'anneaux d'allumage sont utilisés le plus souvent où la rotation est lente, oscillante et / ou intermittente. Pour les calculs de limite de vitesse, veuillez contacter Silverthin Engineering.
Les roulements d'anneaux d'allumage ne sont généralement pas fournis avec des tolérances de diamètre. Certaines applications d'anneau d'allocation nécessitent un degré de précision plus élevé. Pour l'ingénierie et le support de conception sur des applications spéciales, veuillez contacter l'ingénierie.
Les roulements d'anneaux d'allumage sont souvent utilisés à l'intérieur et à l'extérieur où une exposition à l'humidité et une contamination significative est possible. Les plages de température normales -40 ° F à + 140 ° F (-40 ° C à + 60 ° C) sont standard. Des anneaux d'allumage conçus pour fonctionner dans des environnements plus durs sont disponibles auprès de XZWD, contactez un ingénieur XZWD au début de votre processus de conception pour identifier la meilleure solution de système de roulement pour des environnements extrêmes.
Comme mentionné précédemment, il est préférable de monter les roulements dans "Compression " comme indiqué ci-dessous. Cela garantit que la charge est transportée par les balles, qui est représentée dans la courbe de charge fournie. Le montage de tension a une capacité nettement moins élevé, car alors la résistance au boulon devient la principale considération de capacité.

Les surfaces de montage doivent être usinées avec précision pour la bonne fonction du roulement. Lorsque les modèles de boulons standard ne peuvent pas être hébergés, contactez Silverthin Engineering pour d'autres options. Une considération doit être accordée au montage de tension ou de compression. En tension, la résistance au boulon devient la considération de charge limite, la courbe de charge ne s'applique plus et des considérations spéciales doivent être faites. Voir les directives supplémentaires ci-dessous.
Généralement, cette règle de base fournira une intégrité structurelle adéquate.
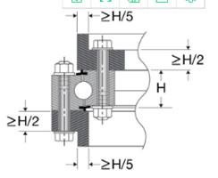
La planéité de la surface de montage des roulements est essentielle aux performances optimales. Les structures de montage fréquemment sont soudées ou travaillées de manière à induire des contraintes dans la structure. Ces contraintes doivent être soulagées, après laquelle la surface de montage des roulements doit être usinée à plat. La planéité doit être prise en compte:
Direction circonférentielle (ΔR): La quantité de permis hors plaque dans la direction circonférentielle pour les roulements à billes à quatre points est illustrée à la figure ci-dessous. Cette quantité d'écart ne doit pas être dépassée dans une portée inférieure à 90 °, et pas plus d'une fois en un pas au-delà de 180 °.
Plat admissible ou déviation perpendiculaire dans la direction radiale (ΔP): Pour les conceptions de roulements à billes de contact à quatre points, cette quantité de plat autorisé peut être approximée à l'aide de la formule:
Δp ≈ 0,001 ∗ dw ∗ p
Où:
P | = | Dim radial de la face de la structure de montage (in) |
Dwing | = | Diamètre de l'élément roulant (in) |

Notez que si une application nécessite une plus grande précision ou un faible couple de rotation, il peut être nécessaire de réduire les valeurs de ΔR et ΔP. Pour les roulements à rouleaux, la quantité de planéité autorisée est d'environ 2/3 de celle pour une taille équivalente Roulement à billes de contact à quatre points.

La graisse est le lubrifiant le plus courant utilisé dans les roulements à anneaux et les applications d'engrenages. Une lubrification régulière grâce à des raccords à graisse fourni ou à des trous de graisse est requis pour un fonctionnement approprié sur les anneaux d'allocation standard. Pour des options de lubrification spéciales, contactez XZWD
Le moment de friction peut être estimé pour un roulement d'anneau d'allocation en utilisant la formule notée ci-dessous. Les valeurs résultantes supposent que le roulement est monté en fonction des directives décrites dans ce catalogue. Cette estimation ne s'applique que lorsque la charge est appliquée au roulement et ne reflète pas le couple de démarrage dans un état non chargé. Le couple de friction généré par le lubrifiant, les joints et le poids des composants. Cela fournit cependant un point de départ, et avec une expérience supplémentaire, des ajustements peuvent être effectués dans l'assemblage pour s'adapter à un couple supplémentaire.
Mf = μ ∗ (4,4 m + fa dpw + 2,2 fr dpw) / 2
Où:
MF | = | Couple de démarrage de roulement sous charge (FT-LBS) |
μ | = | Coefficient de frottement (0,006 généralement) |
M | = | Charge de moment (ft-ibs) |
Fa | = | Charge axiale (IBS) |
Frousser | = | Charge radiale (IBS) |
DPW | = | Diamètre de pas de roulement (FT) |
Il est toujours suggéré que les boulons soient sélectionnés avec les conseils et l'assistance d'un fournisseur de matériel de fixation. La qualité des boulons, les procédures de prétention et l'entretien peuvent varier considérablement.
L'accord de boulonnage optimal a un cercle de boulons dans les courses intérieures et extérieures avec des attaches également espacées. Il en résulte un arrangement de montage plus uniforme, ce qui donne les meilleures performances entre le roulement et les attaches. Cela n'est pas toujours possible en raison des dispositions de structure de montage, et les trous peuvent être décalés en conséquence. Dans ces cas, les tests sont recommandés pour déterminer les charges de boulons réelles, valider la configuration des joints et la procédure d'assemblage.
Comme point de départ pour déterminer la charge approximative sur le boulon chargé le plus lourd, la formule suivante peut être utilisée. Veuillez noter que SilverThin ™ n'offre aucune garantie, exprimée ou implicite, concernant l'adéquation du boulon. Il est fortement recommandé que des tests soient effectués pour déterminer la charge réelle, car c'est le seul moyen fiable d'être certain.
Rb = | 12 ∗ m ∗ r | ± | Fa |
BC ∗ n | n |
Où:
RB | = | Charge totale sur le boulon chargé le plus lourd (IBS) |
M | = | Charge de moment (ft-ibs) |
r | = | Facteur de rigidité. Utilisez 3 pour les roulements et les structures de soutien de la rigidité moyenne. |
Fa | = | Charge axiale (lb) Si FA est en tension, le signe est + Si FA est en compression, le signe est - |
avant JC | = | Diamètre du cercle des boulons (IN) |
n | = | Nombre total de boulons également distribués |
SF | = | Facteur de sécurité du boulon. Valeur minimale recommandée = 3. Voir formule ci-dessous. |
Sf = | Évaluation de chargement à l'épreuve des boulons |
RB |
Diamètre du boulon (in) | Charge de preuve (lbs) |
1/2 | 17 000 |
5/8 | 27 100 |
3/4 | 40 100 |
7/8 | 55 400 |
1 | 72 700 |
1 - 1/8 | 91 600 |
1 - 1/4 | 116 300 |
1 - 1/2 | 168 600 |
1. Utilisez des boulons à haute résistance à la tête hexagonale avec des fils grossiers selon SAE J429, 8e année ou ASTM A490 / A490M ou ISO 898-1, grade 10,9 tendu à 70% de leur limite de rendement.
2. Utilisez des écrous de filetage grossier hexagonal, le cas échéant, selon SAE J995, Grade 8 ou ASTM A563, Grade DH ou ISO 898-2, classe 10.
3. Pour une tension optimale du boulon, le rapport de la distance du bas de la tête de boulon vers le premier fil d'engagement doit être de 3,5 ou plus. Des tests sont nécessaires pour la validation.
4. Tous les boulons de montage dans un anneau donné doivent avoir une longueur de pince égale.
5. La distance entre la tête du boulon et les filetages du boulon doit être au moins égale au diamètre du corps du boulon.
6. La longueur d'engagement du filetage du boulon dans la structure d'acier d'accouplement doit être d'au moins 1,25 fois le diamètre du boulon.
7. Des tests de banc sont recommandés pour valider que la méthode de tension des boulons obtient les résultats souhaités avant les tests d'équipement.
Lors de l'installation du roulement, il est important de s'assurer que le roulement est aussi rond que possible. Cela optimisera la distribution de charge et favorisera l'opération la plus fluide. Les procédures suivantes sont recommandées comme aide.
Utilisez des rondelles en acier plat rond durcies conformément à ASTM F436 sous la tête du boulon, ainsi que l'écrou. Les lock-lasteurs et les composés de verrouillage sur le fil ne sont pas recommandés.
Installez les rondelles, les écrous et les boulons dans la structure de roulement et de support et serrer la main. Ne déformez pas le roulement afin d'installer des boulons. Appliquez une charge de poussée centrée modérée sur le roulement. Serrez les boulons aux spécifications du concepteur d'équipement. Une approche commune consiste à utiliser un motif d'étoile pour resserrer les boulons, séquences comme indiqué dans le diagramme ci-dessous. Le motif est généralement effectué en 3 étapes à environ 30%, 80% et 100% du couple final du boulon ou du niveau de tension spécifié par le concepteur d'équipement.
La perte de tension appropriée peut entraîner une défaillance prématurée du boulon, une défaillance du roulement et de la structure, des dommages aux composants et un décès ou des blessures à quiconque à proximité. Les boulons nécessitent une inspection fréquente pour une tension appropriée, qui est généralement accomplie en mesurant le couple du boulon.
