| État de disponibilité: | |
|---|---|
| Quantité: | |
A Roulement pivotant ou alors Anneau de tue est une rotationRoulement des éléments roulants ou alors palier lisse qui prend généralement en charge une charge lourde mais lente ou lent à osciller, souvent une plate-forme horizontale comme une grue, une murs de balançoireou la plate-forme orientée vers le vent d'un axe horizontal Moulin à vent. (À "Slew " signifie tourner sans changement de lieu.)
Par rapport à d'autres roulements à éléments roulants, les roulements d'allumage sont minces en section et sont souvent fabriqués en diamètre d'un mètre ou plus; les roulements d'allocation sur le Roue de falkirk mesurent 4 mètres de diamètre et montent sur un essieu de 3,5 mètres. Les roulements d'allumage ressemblent à des roulements de surface surdimensionnés surdimensionnés.
Les roulements d'allumage utilisent souvent deux rangées d'éléments roulants. Ils utilisent souvent trois course des éléments, tels qu'un anneau intérieur et deux anneaux externes "diminuent " qui se rassemblent axialement.
Les roulements d'allocation sont souvent fabriqués avec des dents d'engrenage intégrées à la race intérieure ou extérieure, utilisé pour conduire la plate-forme par rapport à la base.
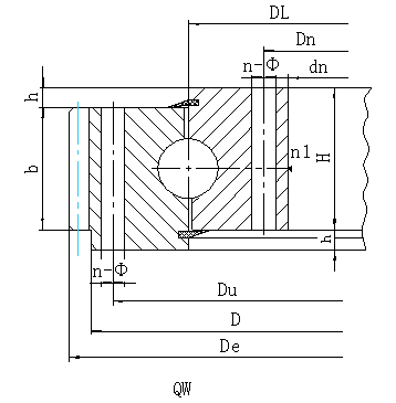
NON. | Modèle | Dimensions (mm) | Dimensions de montage (mm) | De construction Dimension (mm) | Données | ||||||||||||
Équipement externe | H | Du | DN | n | Par trou A | Enfilé trou B / c / d | N1 Pétrole Coupe Qté | h | B | m | x = -0,5 | ||||||
De | Engrenage Qté z | Poids | |||||||||||||||
D | d | φ | d1 | T | |||||||||||||
MM | MM | MM | MM | kg | |||||||||||||
1 | Qw.315.20 | 406 | 222 | 60 | 370 | 260 | 10 | 17 | M16 | 24 | 2 | 10 | 40 | 3 | 423 | 140 | 35 |
Qw.315.20a | 4 | 428 | 106 | 36 | |||||||||||||
2 | Qw.355.20 | 446 | 262 | 60 | 410 | 300 | 10 | 17 | M16 | 24 | 2 | 10 | 40 | 3 | 462 | 153 | 40 |
Qw.355.20a | 4 | 468 | 116 | 41 | |||||||||||||
3 | QW.400.20 | 490 | 307 | 60 | 455 | 345 | 12 | 17 | M16 | 24 | 2 | 10 | 40 | 4 | 512 | 127 | 45 |
QW.400.20A | 5 | 520 | 103 | 47 | |||||||||||||
4 | QW.450.20 | 540 | 357 | 60 | 505 | 395 | 12 | 17 | M16 | 24 | 2 | 10 | 40 | 4 | 564 | 140 | 51 |
QW.450.20A | 5 | 570 | 113 | 53 | |||||||||||||
5 | QW.500.20 | 590 | 407 | 60 | 555 | 445 | 14 | 17 | M16 | 24 | 2 | 10 | 40 | 5 | 615 | 122 | 56 |
QW.500.20A | 6 | 624 | 103 | 58 | |||||||||||||
6 | QW.560.20 | 654 | 464 | 70 | 618 | 502 | 14 | 17 | M16 | 30 | 2 | 10 | 50 | 4 | 680 | 169 | 78 |
QW.560.20A | 5 | 685 | 136 | 79 | |||||||||||||
7 | QW.630.20 | 724 | 534 | 70 | 688 | 572 | 16 | 17 | M16 | 30 | 2 | 10 | 50 | 4 | 748 | 186 | 86 |
QW.630.20A | 5 | 755 | 150 | 88 | |||||||||||||
8 | Qw.710.20 | 804 | 614 | 70 | 768 | 652 | 18 | 17 | M16 | 30 | 2 | 10 | 50 | 5 | 835 | 166 | 99 |
QW.710.20A | 6 | 840 | 139 | 101 | |||||||||||||
9 | QW.800.20 | 894 | 704 | 70 | 858 | 742 | 20 | 17 | M16 | 30 | 2 | 10 | 50 | 6 | 930 | 154 | 114 |
QW.800.20A | 8 | 936 | 116 | 114 | |||||||||||||
10 | QW.800.25 | 904 | 692 | 78 | 864 | 736 | 18 | 22 | M20 | 36 | 2 | 10 | 58 | 6 | 942 | 156 | 143 |
QW.800.25A | 8 | 952 | 118 | 147 | |||||||||||||
11 | QW.900.25 | 1004 | 792 | 78 | 964 | 836 | 20 | 22 | M20 | 36 | 2 | 10 | 58 | 8 | 1048 | 130 | 162 |
QW.900.25A | 10 | 1060 | 105 | 168 | |||||||||||||
12 | Qw.1000.25 | 1104 | 892 | 78 | 1064 | 936 | 24 | 22 | M20 | 36 | 2 | 10 | 58 | 8 | 1152 | 143 | 182 |
Qw.1000.25a | 10 | 1160 | 115 | 185 | |||||||||||||
13 | Qw.1000.32 | 1120 | 876 | 90 | 1074 | 926 | 24 | 24 | M22 | 40 | 2 | 10 | 70 | 8 | 1160 | 144 | 227 |
Qw.1000.32a | 10 | 1170 | 116 | 232 | |||||||||||||
14 | QW.1120.32 | 1240 | 996 | 90 | 1194 | 1046 | 28 | 24 | M22 | 40 | 4 | 10 | 70 | 10 | 1300 | 129 | 272 |
QW.1120.32A | 12 | 1308 | 108 | 275 | |||||||||||||
15 | QW.1250.32 | 1370 | 1126 | 90 | 1324 | 1176 | 32 | 24 | M22 | 40 | 4 | 10 | 70 | 10 | 1430 | 142 | 302 |
QW.1250.32A | 12 | 1440 | 119 | 309 | |||||||||||||
16 | QW.1400.32 | 1520 | 1276 | 90 | 1474 | 1326 | 36 | 24 | M22 | 40 | 4 | 10 | 70 | 12 | 1584 | 131 | 337 |
QW.1400.32A | 14 | 1596 | 113 | 347 | |||||||||||||
17 | QW.1250.40 | 1390 | 1108 | 102 | 1336 | 1164 | 32 | 26 | M24 | 45 | 4 | 12 | 80 | 10 | 1450 | 144 | 396 |
QW.1250.40A | 12 | 1452 | 120 | 392 | |||||||||||||
18 | QW.1400.40 | 1540 | 1258 | 102 | 1486 | 1314 | 36 | 26 | M24 | 45 | 4 | 12 | 80 | 12 | 1608 | 133 | 448 |
QW.1400.40A | 14 | 1610 | 114 | 443 | |||||||||||||
19 | QW.1600.40 | 1740 | 1458 | 102 | 1686 | 1514 | 40 | 26 | M24 | 45 | 4 | 12 | 80 | 12 | 1812 | 150 | 528 |
QW.1600.40A | 14 | 1820 | 129 | 534 | |||||||||||||
20 | QW.1800.40 | 1940 | 1658 | 102 | 1886 | 1714 | 44 | 26 | M24 | 45 | 4 | 12 | 80 | 14 | 2016 | 143 | 583 |
QW.1800.40A | 16 | 2032 | 126 | 607 | |||||||||||||
21 | QW.1600.50 | 1762 | 1434 | 124 | 1704 | 1496 | 40 | 30 | M27 | 50 | 4 | 12 | 100 | 12 | 1824 | 151 | 714 |
QW.1600.50A | 14 | 1834 | 130 | 727 | |||||||||||||
22 | QW.1800.50 | 1964 | 1634 | 124 | 1904 | 1696 | 44 | 30 | M27 | 50 | 4 | 12 | 100 | 14 | 2044 | 145 | 845 |
QW.1800.50A | 16 | 2048 | 127 | 843 | |||||||||||||
23 | Qw.2000.50 | 2162 | 1834 | 124 | 2104 | 1896 | 48 | 30 | M27 | 50 | 6 | 12 | 100 | 16 | 2240 | 139 | 912 |
Qw.2000.50a | 18 | 2250 | 124 | 927 | |||||||||||||
24 | QW.2240.50 | 2402 | 2074 | 124 | 2344 | 2136 | 54 | 30 | M27 | 50 | 6 | 12 | 100 | 16 | 2480 | 154 | 1020 |
QW.2240.50A | 18 | 2502 | 138 | 1078 | |||||||||||||
25 | Qw.2500.50 | 2662 | 2334 | 124 | 2604 | 2396 | 60 | 30 | M27 | 50 | 6 | 12 | 100 | 18 | 2754 | 152 | 1171 |
QW.2500.50A | 20 | 2760 | 137 | 1175 | |||||||||||||
26 | QW.2500.60 | 2696 | 2304 | 150 | 2626 | 2374 | 60 | 33 | M30 | 56 | 6 | 14 | 122 | 18 | 2790 | 154 | 1677 |
QW.2500.60A | 20 | 2800 | 139 | 1701 | |||||||||||||
Noter:
1. N1 est le nombre de trous lubrifiants. Cup d'huile M10 × 1JB / T7940.1 ~ JB / T7940.
2. Le mamelon d'huile L'emplacement peut être modifié en fonction de l'application de l'utilisateur.
3. N-φ peut changer en trou taraudé, le diamètre du trou taraudé est M et la profondeur est de 2 m.
4. La force dentaire tangentielle sous la forme est la force dentaire maximale; La force dentaire tangentielle nominale est de 1/2 du maximum.
5. "K " est le coefficient de réduction de l'addendum.
A Roulement pivotant ou alors Anneau de tue est une rotationRoulement des éléments roulants ou alors palier lisse qui prend généralement en charge une charge lourde mais lente ou lent à osciller, souvent une plate-forme horizontale comme une grue, une murs de balançoireou la plate-forme orientée vers le vent d'un axe horizontal Moulin à vent. (À "Slew " signifie tourner sans changement de lieu.)
Par rapport à d'autres roulements à éléments roulants, les roulements d'allumage sont minces en section et sont souvent fabriqués en diamètre d'un mètre ou plus; les roulements d'allocation sur le Roue de falkirk mesurent 4 mètres de diamètre et montent sur un essieu de 3,5 mètres. Les roulements d'allumage ressemblent à des roulements de surface surdimensionnés surdimensionnés.
Les roulements d'allumage utilisent souvent deux rangées d'éléments roulants. Ils utilisent souvent trois course des éléments, tels qu'un anneau intérieur et deux anneaux externes "diminuent " qui se rassemblent axialement.
Les roulements d'allocation sont souvent fabriqués avec des dents d'engrenage intégrées à la race intérieure ou extérieure, utilisé pour conduire la plate-forme par rapport à la base.
NON. | Modèle | Dimensions (mm) | Dimensions de montage (mm) | De construction Dimension (mm) | Données | ||||||||||||
Équipement externe | H | Du | DN | n | Par trou A | Enfilé trou B / c / d | N1 Pétrole Coupe Qté | h | B | m | x = -0,5 | ||||||
De | Engrenage Qté z | Poids | |||||||||||||||
D | d | φ | d1 | T | |||||||||||||
MM | MM | MM | MM | kg | |||||||||||||
1 | Qw.315.20 | 406 | 222 | 60 | 370 | 260 | 10 | 17 | M16 | 24 | 2 | 10 | 40 | 3 | 423 | 140 | 35 |
Qw.315.20a | 4 | 428 | 106 | 36 | |||||||||||||
2 | Qw.355.20 | 446 | 262 | 60 | 410 | 300 | 10 | 17 | M16 | 24 | 2 | 10 | 40 | 3 | 462 | 153 | 40 |
Qw.355.20a | 4 | 468 | 116 | 41 | |||||||||||||
3 | QW.400.20 | 490 | 307 | 60 | 455 | 345 | 12 | 17 | M16 | 24 | 2 | 10 | 40 | 4 | 512 | 127 | 45 |
QW.400.20A | 5 | 520 | 103 | 47 | |||||||||||||
4 | QW.450.20 | 540 | 357 | 60 | 505 | 395 | 12 | 17 | M16 | 24 | 2 | 10 | 40 | 4 | 564 | 140 | 51 |
QW.450.20A | 5 | 570 | 113 | 53 | |||||||||||||
5 | QW.500.20 | 590 | 407 | 60 | 555 | 445 | 14 | 17 | M16 | 24 | 2 | 10 | 40 | 5 | 615 | 122 | 56 |
QW.500.20A | 6 | 624 | 103 | 58 | |||||||||||||
6 | QW.560.20 | 654 | 464 | 70 | 618 | 502 | 14 | 17 | M16 | 30 | 2 | 10 | 50 | 4 | 680 | 169 | 78 |
QW.560.20A | 5 | 685 | 136 | 79 | |||||||||||||
7 | QW.630.20 | 724 | 534 | 70 | 688 | 572 | 16 | 17 | M16 | 30 | 2 | 10 | 50 | 4 | 748 | 186 | 86 |
QW.630.20A | 5 | 755 | 150 | 88 | |||||||||||||
8 | Qw.710.20 | 804 | 614 | 70 | 768 | 652 | 18 | 17 | M16 | 30 | 2 | 10 | 50 | 5 | 835 | 166 | 99 |
QW.710.20A | 6 | 840 | 139 | 101 | |||||||||||||
9 | QW.800.20 | 894 | 704 | 70 | 858 | 742 | 20 | 17 | M16 | 30 | 2 | 10 | 50 | 6 | 930 | 154 | 114 |
QW.800.20A | 8 | 936 | 116 | 114 | |||||||||||||
10 | QW.800.25 | 904 | 692 | 78 | 864 | 736 | 18 | 22 | M20 | 36 | 2 | 10 | 58 | 6 | 942 | 156 | 143 |
QW.800.25A | 8 | 952 | 118 | 147 | |||||||||||||
11 | QW.900.25 | 1004 | 792 | 78 | 964 | 836 | 20 | 22 | M20 | 36 | 2 | 10 | 58 | 8 | 1048 | 130 | 162 |
QW.900.25A | 10 | 1060 | 105 | 168 | |||||||||||||
12 | Qw.1000.25 | 1104 | 892 | 78 | 1064 | 936 | 24 | 22 | M20 | 36 | 2 | 10 | 58 | 8 | 1152 | 143 | 182 |
Qw.1000.25a | 10 | 1160 | 115 | 185 | |||||||||||||
13 | Qw.1000.32 | 1120 | 876 | 90 | 1074 | 926 | 24 | 24 | M22 | 40 | 2 | 10 | 70 | 8 | 1160 | 144 | 227 |
Qw.1000.32a | 10 | 1170 | 116 | 232 | |||||||||||||
14 | QW.1120.32 | 1240 | 996 | 90 | 1194 | 1046 | 28 | 24 | M22 | 40 | 4 | 10 | 70 | 10 | 1300 | 129 | 272 |
QW.1120.32A | 12 | 1308 | 108 | 275 | |||||||||||||
15 | QW.1250.32 | 1370 | 1126 | 90 | 1324 | 1176 | 32 | 24 | M22 | 40 | 4 | 10 | 70 | 10 | 1430 | 142 | 302 |
QW.1250.32A | 12 | 1440 | 119 | 309 | |||||||||||||
16 | QW.1400.32 | 1520 | 1276 | 90 | 1474 | 1326 | 36 | 24 | M22 | 40 | 4 | 10 | 70 | 12 | 1584 | 131 | 337 |
QW.1400.32A | 14 | 1596 | 113 | 347 | |||||||||||||
17 | QW.1250.40 | 1390 | 1108 | 102 | 1336 | 1164 | 32 | 26 | M24 | 45 | 4 | 12 | 80 | 10 | 1450 | 144 | 396 |
QW.1250.40A | 12 | 1452 | 120 | 392 | |||||||||||||
18 | QW.1400.40 | 1540 | 1258 | 102 | 1486 | 1314 | 36 | 26 | M24 | 45 | 4 | 12 | 80 | 12 | 1608 | 133 | 448 |
QW.1400.40A | 14 | 1610 | 114 | 443 | |||||||||||||
19 | QW.1600.40 | 1740 | 1458 | 102 | 1686 | 1514 | 40 | 26 | M24 | 45 | 4 | 12 | 80 | 12 | 1812 | 150 | 528 |
QW.1600.40A | 14 | 1820 | 129 | 534 | |||||||||||||
20 | QW.1800.40 | 1940 | 1658 | 102 | 1886 | 1714 | 44 | 26 | M24 | 45 | 4 | 12 | 80 | 14 | 2016 | 143 | 583 |
QW.1800.40A | 16 | 2032 | 126 | 607 | |||||||||||||
21 | QW.1600.50 | 1762 | 1434 | 124 | 1704 | 1496 | 40 | 30 | M27 | 50 | 4 | 12 | 100 | 12 | 1824 | 151 | 714 |
QW.1600.50A | 14 | 1834 | 130 | 727 | |||||||||||||
22 | QW.1800.50 | 1964 | 1634 | 124 | 1904 | 1696 | 44 | 30 | M27 | 50 | 4 | 12 | 100 | 14 | 2044 | 145 | 845 |
QW.1800.50A | 16 | 2048 | 127 | 843 | |||||||||||||
23 | Qw.2000.50 | 2162 | 1834 | 124 | 2104 | 1896 | 48 | 30 | M27 | 50 | 6 | 12 | 100 | 16 | 2240 | 139 | 912 |
Qw.2000.50a | 18 | 2250 | 124 | 927 | |||||||||||||
24 | QW.2240.50 | 2402 | 2074 | 124 | 2344 | 2136 | 54 | 30 | M27 | 50 | 6 | 12 | 100 | 16 | 2480 | 154 | 1020 |
QW.2240.50A | 18 | 2502 | 138 | 1078 | |||||||||||||
25 | Qw.2500.50 | 2662 | 2334 | 124 | 2604 | 2396 | 60 | 30 | M27 | 50 | 6 | 12 | 100 | 18 | 2754 | 152 | 1171 |
QW.2500.50A | 20 | 2760 | 137 | 1175 | |||||||||||||
26 | QW.2500.60 | 2696 | 2304 | 150 | 2626 | 2374 | 60 | 33 | M30 | 56 | 6 | 14 | 122 | 18 | 2790 | 154 | 1677 |
QW.2500.60A | 20 | 2800 | 139 | 1701 | |||||||||||||
Noter:
1. N1 est le nombre de trous lubrifiants. Cup d'huile M10 × 1JB / T7940.1 ~ JB / T7940.
2. Le mamelon d'huile L'emplacement peut être modifié en fonction de l'application de l'utilisateur.
3. N-φ peut changer en trou taraudé, le diamètre du trou taraudé est M et la profondeur est de 2 m.
4. La force dentaire tangentielle sous la forme est la force dentaire maximale; La force dentaire tangentielle nominale est de 1/2 du maximum.
5. "K " est le coefficient de réduction de l'addendum.
