| État de disponibilité: | |
|---|---|
| Quantité: | |
Mince roulement de randonnée à engrenages internes
XZWD
8482800000
Les roulements d'allocation sont composés de deux anneaux, chacun contenant un chemin de course de précision qui est durci à la surface à une profondeur spécifiée. Chaque anneau est fabriqué à partir d'un forgeage en acier à carbone moyen. Les roulements de slewing ont des voies de course construites dans une configuration de contact à quatre points, avec des angles de contact de 45 ° comme standard. D'autres configurations de courses sont disponibles, telles que le rouleau croisé et le contact à quatre points. Ces autres options sont souvent considérées dans les cas où des charges très élevées ou des exigences de rigidité spéciales sont nécessaires.
Des roulements d'allumage sont nécessaires lorsque dans une machine ou un système donné, une partie structurelle doit tourner dans la direction opposée à une autre le long d'un axe fixe, tout en garantissant le lien axial et radial entre les deux parties.
Le roulement d'allumage léger a la même structure avec ordinaire Le roulement d'allocation, mais le poids est léger et tourne de manière flexible.
Application de roulement d'allumage léger:
1.Machinarie de nourriture,
2.Comnage de machines
3. Machines environnementales, etc.
Capacité de roulement léger:
Catalogue de roulement de lèvres légers:
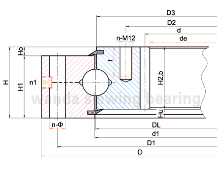
| Modèle | Dimensions (mm) | Dimension de montage (mm) | |||||||
| D | de | H | D1 | D2 | n | Φ | M | t | |
| WD-062.20.0414 | 486 | 326.5 | 56 | 460 | 375 | 24 | 13.5 | 12 | 20 |
| WD-062.20.0544 | 616 | 445.2 | 56 | 590 | 505 | 32 | 13.5 | 12 | 20 |
| WD-062.20.0644 | 716 | 547.2 | 56 | 690 | 605 | 36 | 13.5 | 12 | 20 |
| WD-062.20.0744 | 816 | 649.2 | 56 | 790 | 705 | 40 | 13.5 | 12 | 20 |
| WD-062.20.0844 | 916 | 737.6 | 56 | 890 | 805 | 40 | 13.5 | 12 | 20 |
| WD-062.20.0944 | 1016 | 841.6 | 56 | 990 | 905 | 44 | 13.5 | 12 | 20 |
| WD-062.20.1094 | 1166 | 985.6 | 56 | 1140 | 1055 | 48 | 13.5 | 12 | 20 |
Noter:
1. N1 est le nombre de trous lubrifiants. Tasse d'huile M8 × 1JB / T7940.1 ~ JB / T7940.
2. L'emplacement du mamelon d'huile peut être modifié en fonction de l'application de l'utilisateur.
3. "km " est une réduction d'addendum; M: module; Z: dents nos.
4. Pour la capacité de la courbe de charge, veuillez télécharger notre catalogue pour le roulement de balle.
Si vous avez une question, PLS n'hésitez pas à nous contacter.
Les roulements d'allocation sont composés de deux anneaux, chacun contenant un chemin de course de précision qui est durci à la surface à une profondeur spécifiée. Chaque anneau est fabriqué à partir d'un forgeage en acier à carbone moyen. Les roulements de slewing ont des voies de course construites dans une configuration de contact à quatre points, avec des angles de contact de 45 ° comme standard. D'autres configurations de courses sont disponibles, telles que le rouleau croisé et le contact à quatre points. Ces autres options sont souvent considérées dans les cas où des charges très élevées ou des exigences de rigidité spéciales sont nécessaires.
Des roulements d'allumage sont nécessaires lorsque dans une machine ou un système donné, une partie structurelle doit tourner dans la direction opposée à une autre le long d'un axe fixe, tout en garantissant le lien axial et radial entre les deux parties.
Le roulement d'allumage léger a la même structure avec ordinaire Le roulement d'allocation, mais le poids est léger et tourne de manière flexible.
Application de roulement d'allumage léger:
1.Machinarie de nourriture,
2.Comnage de machines
3. Machines environnementales, etc.
Capacité de roulement léger:
Catalogue de roulement de lèvres légers:
| Modèle | Dimensions (mm) | Dimension de montage (mm) | |||||||
| D | de | H | D1 | D2 | n | Φ | M | t | |
| WD-062.20.0414 | 486 | 326.5 | 56 | 460 | 375 | 24 | 13.5 | 12 | 20 |
| WD-062.20.0544 | 616 | 445.2 | 56 | 590 | 505 | 32 | 13.5 | 12 | 20 |
| WD-062.20.0644 | 716 | 547.2 | 56 | 690 | 605 | 36 | 13.5 | 12 | 20 |
| WD-062.20.0744 | 816 | 649.2 | 56 | 790 | 705 | 40 | 13.5 | 12 | 20 |
| WD-062.20.0844 | 916 | 737.6 | 56 | 890 | 805 | 40 | 13.5 | 12 | 20 |
| WD-062.20.0944 | 1016 | 841.6 | 56 | 990 | 905 | 44 | 13.5 | 12 | 20 |
| WD-062.20.1094 | 1166 | 985.6 | 56 | 1140 | 1055 | 48 | 13.5 | 12 | 20 |
Noter:
1. N1 est le nombre de trous lubrifiants. Tasse d'huile M8 × 1JB / T7940.1 ~ JB / T7940.
2. L'emplacement du mamelon d'huile peut être modifié en fonction de l'application de l'utilisateur.
3. "km " est une réduction d'addendum; M: module; Z: dents nos.
4. Pour la capacité de la courbe de charge, veuillez télécharger notre catalogue pour le roulement de balle.
Si vous avez une question, PLS n'hésitez pas à nous contacter.
