| État de disponibilité: | |
|---|---|
| Quantité: | |
WD-062.20.0744
XZWD
8482800000
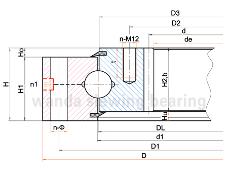
Des roulements d'allumage sont nécessaires lorsque dans une machine ou un système donné, une partie structurelle doit tourner dans la direction opposée à une autre le long d'un axe fixe, tout en garantissant le lien axial et radial entre les deux parties.
Le roulement d'allumage à un seul point de contact à quatre points est conçu dans une structure compacte et de bonnes performances de charge. Les roulements d'allumage peuvent accueillir des charges axiales, radiales et de moment agissant unique ou en combinaison et dans n'importe quelle direction.
Le roulement d'allumage léger a la même structure avec ordinaire Le roulement d'allocation, mais le poids est léger et tourne de manière flexible.
En utilisant un roulement d'anneau d'allocation léger sur une petite plate-forme de travail aérien, la Le processus de transfert du véhicule peut être tourné dans différentes directions. Dans Ce processus, aucun phénomène maladroit ne se produit en raison de l'augmentation du charger.
| Modèle | Dimensions (mm) | Dimension de montage (mm) | |||||||
| D | de | H | D1 | D2 | n | Φ | M | t | |
| WD-062.20.0414 | 486 | 326.5 | 56 | 460 | 375 | 24 | 13.5 | 12 | 20 |
| WD-062.20.0544 | 616 | 445.2 | 56 | 590 | 505 | 32 | 13.5 | 12 | 20 |
| WD-062.20.0644 | 716 | 547.2 | 56 | 690 | 605 | 36 | 13.5 | 12 | 20 |
| WD-062.20.0744 | 816 | 649.2 | 56 | 790 | 705 | 40 | 13.5 | 12 | 20 |
| WD-062.20.0844 | 916 | 737.6 | 56 | 890 | 805 | 40 | 13.5 | 12 | 20 |
| WD-062.20.0944 | 1016 | 841.6 | 56 | 990 | 905 | 44 | 13.5 | 12 | 20 |
| WD-062.20.1094 | 1166 | 985.6 | 56 | 1140 | 1055 | 48 | 13.5 | 12 | 20 |
Si vous avez une question, PLS n'hésitez pas à nous contacter.
Des roulements d'allumage sont nécessaires lorsque dans une machine ou un système donné, une partie structurelle doit tourner dans la direction opposée à une autre le long d'un axe fixe, tout en garantissant le lien axial et radial entre les deux parties.
Le roulement d'allumage à un seul point de contact à quatre points est conçu dans une structure compacte et de bonnes performances de charge. Les roulements d'allumage peuvent accueillir des charges axiales, radiales et de moment agissant unique ou en combinaison et dans n'importe quelle direction.
Le roulement d'allumage léger a la même structure avec ordinaire Le roulement d'allocation, mais le poids est léger et tourne de manière flexible.
En utilisant un roulement d'anneau d'allocation léger sur une petite plate-forme de travail aérien, la Le processus de transfert du véhicule peut être tourné dans différentes directions. Dans Ce processus, aucun phénomène maladroit ne se produit en raison de l'augmentation du charger.
| Modèle | Dimensions (mm) | Dimension de montage (mm) | |||||||
| D | de | H | D1 | D2 | n | Φ | M | t | |
| WD-062.20.0414 | 486 | 326.5 | 56 | 460 | 375 | 24 | 13.5 | 12 | 20 |
| WD-062.20.0544 | 616 | 445.2 | 56 | 590 | 505 | 32 | 13.5 | 12 | 20 |
| WD-062.20.0644 | 716 | 547.2 | 56 | 690 | 605 | 36 | 13.5 | 12 | 20 |
| WD-062.20.0744 | 816 | 649.2 | 56 | 790 | 705 | 40 | 13.5 | 12 | 20 |
| WD-062.20.0844 | 916 | 737.6 | 56 | 890 | 805 | 40 | 13.5 | 12 | 20 |
| WD-062.20.0944 | 1016 | 841.6 | 56 | 990 | 905 | 44 | 13.5 | 12 | 20 |
| WD-062.20.1094 | 1166 | 985.6 | 56 | 1140 | 1055 | 48 | 13.5 | 12 | 20 |
Si vous avez une question, PLS n'hésitez pas à nous contacter.
